The right hybrid power systems can reduce expenses and improve environmental standings, but only if done right.
CYB FACTORY BESS
Century Yuasa Batteries (CYB) are expanding our DC Power system capabilities into the industrial Battery Energy Storage market (BESS). To demonstrate our competancy in this field, where else would be better to trial this technology than here at the head office and factory in Queensland.
The initial goal is to develop and install a working BESS system at the CYB factory. This will be a live and operational system designed to;
- reduce the peak factory energy consumption profile and hence reduce our electricity bill. It will also be used as a demonstration system for potential standby customers.
- provide interfaces allowing local and remote display of energy consumption and related savings (such as large screen local LCD display and potential web interface allowing customers to log on and see a system in action). This will be a valuable sales tool for these systems.
- provide a test bed for Engineering to evaluate and develop system architectures, software controls and interfaces for future research and development activities.
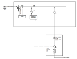
The system architecture includes the following components:
- 110 kVA Bi-Directional Inverter
- 115 kVA Coupling Transformer
- Initially configured with a 76 kWHr Battery Bank (3 Strings), to be replaced later with a 360 kWHr Cyclic Battery to test our Advanced VRLA battery products
- 1000 VDC Distribution Board
- Proprietary Battery Management System
- Interconnection Protection Relay
| SYSTEM SPECIFICATION | UNITS | |
|---|---|---|
| Nominal Voltage L-L | VAC | 230/400 |
| Line Frequency | Hz | 50 |
| Nominal Battery Voltage | VDC | 720 |
| Nominal Battery voltage | kW | 100 |
| Nominal Energy | kWHr | 77 |
| Nominal Energy Delivery Time | Hr | 3 |
| Minimum Depth of Discharge | % | 50 |
| System Round Trip Efficiency | % | 77 |
| Total Lifecycle Throughput | Whr | Initial installation – 4,063,500 |
| Battery type | Initial Installation – 3 Strings PWL100FT | |
| Coupling Transformer | kVA | 115 |
| Coupling Transformer Type | % | 5 Limb, Star Primary, Delta Secondary, Electrostatic Shield 1:1 |
| Coupling Transformer Impedance | % | 5.5 |
| Coupling Transformer Mechanical | 900H x 800W x 700D 500 Kg |
| INVERTER SPECIFICATION | UNITS | 890PX-0110-415 |
|---|---|---|
| DC Input | ||
| Minimum Battery Voltage | VDC | 700 |
| Maximum Battery Voltage | VDC | 1000 |
| AC Output | ||
| Rated Output at up to 40oC | kVA | 110 |
| Rated Output at 50oC | kVA | 99 |
| Nominal Output at 50oC | VAC | 400 |
| Nominal Output Frequency | Hz | 50/60 |
| Power Factor Range | +/- 1.0 | |
| Current Distortion | % | <5 |
| AC circuit Breaker | 42 kA Interupt rating | |
| Performance Data | ||
| Efficiency (Max Estimated) | 96.7% | |
| System Heat losses (Approx.) | <10 kW | |
| Mechanical Data | ||
| Ambient Temperature Range | 0 to + 40 C | |
| Relative Humidity | 0 – 95% non | |
| Environmental Protection | IP21 | |
| Cooling System | Air Cooled | |
| Estimated Size | (W x D x H) 1900 x 600 x 2290 | |
| Weight (approx.) | 500 Kg |
